安全·節能電加熱導熱油爐廠家B級鍋爐資質、省“專精特新”、國家高新技術企業

服務熱線:400-000-9261 谘詢電話:151 9595 6304

cn二級頁麵banner—新聞資訊2

冷熱一體機工作原理圖及種類,「91羞羞免费网站機械」分析

返回列表 來源: 91羞羞免费网站機械 發布日期: 2020.02.05/17:56

冷熱一體機是一種加熱冷卻為一體的溫度控製設備,很多產品在生產成型的過程中需要不同的溫度點以及根據要求實現加熱、冷卻不同的溫控要求。91羞羞免费网站機械分析冷熱一體羞羞在线视频的應用原理以及選擇種類!

冷熱一體機就是為了實現這種要求的加熱(電加熱管為熱源)、冷卻(壓縮機製冷)為一體的設備。主要應用在注塑、壓鑄、化工製藥、新能源鋰電(新能源汽車電驅動、電機測試、電池包測試)、複合材料成型等方麵。 那麽,冷熱一體機的工作原理圖是怎麽樣的呢? 

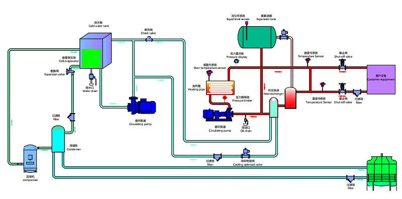
冷熱一體機原理圖

從上麵的圖中可以看出,紅顏色的部分是加熱循環的管路,藍色的部分是製冷循環的管路。冷熱一體機的種類有哪些呢?主要是三個種類 

一、以加熱為主的冷熱一體機,用戶在正常使用的時候,是需要加熱並且恒溫的。可以在產品成型之後需要把溫度降低到一定的溫度點,這種情況稱之為加熱為主的冷熱一體機,其冷卻主要是依靠外部的循環水冷卻,要去在使用現場必須鏈接循環水塔或者冷凍機組的。型號主要是“EUOT-75CF”“EWM-50CF”等。 

 二、以冷卻為主的冷熱一體機,用戶在正常使用的時候的,隻需要前麵稍微加熱恒溫,等開始做產品的時候,本身產生熱量需要連續不斷的冷卻。這種情況的冷熱一體機是在冷凍機組的內部係統裏麵加上加熱管加熱,其型號主要是“EU-10AD””EU-20AD”等。 

三、加熱、冷卻同樣重要的冷熱一體機,這種情況的冷熱一體機是通過電加熱管提供熱源,壓縮機提供製冷量。其型號是“EUOT-10AD-36O”等。 

需要特別主要的是,客戶在谘詢或者選擇冷熱一體機的時候,請詳細把產品的控溫要求工藝情況告訴廠家,如:一個成型周期內的加熱、冷卻要求,產品是否是一支吸熱,還是說有放熱的過程,鏈接口徑的大小等等。

【相關推薦】

谘詢熱線

400-000-9261
熱品推薦
導熱油TCU溫控係統

導熱油TCU溫控係統

溫度範圍:-30-300℃控溫精度:±1℃傳熱媒介:水/導熱油/乙二醇控製類型:接觸器/固態繼電器
網站地圖